• 网站首页
  • 公司简介
  • 产品展示
  • 产品目录
  • 企业动态
  • 联系我们
  • 电子邮局

产品展示

  • 油气润滑元件
  • 电动润滑泵
  • 手(脚)动润滑泵
  • 加油泵
  • 双线分配器
  • 单线分配器
  • 换向阀、操纵阀及其附件
  • 稀油润滑装置及稀油站
  • 稀油润滑元件
  • 管件部分

联系方式

电话:0513-83325673 传真:0513-83119878 手机:13862978163 地址:江苏省启东市汇龙镇中央河中路691号E-mail:13862978163@126.com
 
VSKV-KR系列双线分配器(40MPa)

一、使用条件
VSKV-KR型双线分配器正面设上下二排出油口,分配器活塞正反向动作时分别从上排和下排的出油口排出润滑脂。还可以从指示杆的动作直接观察分配器的工作情况,并可通过调整螺钉在规定范围内调整出油口的给油量。
该型分配器适用于公称压力为40MPa 的双线式干油集中润滑系统中,它在两条供油主管交替的供油压力作用下,直接由供油压力控制活塞动作给油,完成向润滑点定量分配润滑脂的功能。

二、技术参数  
型号
公称压力MPa
动作压力Mpa
额定给油量ml/循环
调整螺钉每转一圈调整量ml
VSKV*-KR
40
≤1.5
0-1.5
0.05
使用介质为锥入度不低于265(25℃,150g)1/10mm 的润滑脂(NLGI0#~2#)或粘度等级大于N68 的润滑油;使用环境温度为-10~80℃;使用介质为润滑油时,请在20MPa 压力下使用。
 
三、型号说明
 
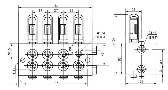
四、外形尺寸
型号
VSKV2-KR
VSKV4-KR
VSKV6-KR
VSKV8-KR
L1
52
80
108
136
L2
36
64
92
120
 
五、使用说明
分配器安装使用环境温度在-10~80℃以外的必须在订货合同中注明,以便供货时提供耐低、高温油封。
  
网站首页 公司简介 产品展示 产品目录 企业动态 联系方式
电话:0513-83325673 传真:0513-83119878  手机:13862978163  油气润滑     
地址:江苏省启东市汇龙镇中央河中路691号 邮编:226200  E-mail:13862978163@126.com 
版权所有:南通沃尔驰石化工程有限公司