• 网站首页
  • 公司简介
  • 产品展示
  • 产品目录
  • 企业动态
  • 联系我们
  • 电子邮局

产品展示

  • 油气润滑元件
  • 电动润滑泵
  • 手(脚)动润滑泵
  • 加油泵
  • 双线分配器
  • 单线分配器
  • 换向阀、操纵阀及其附件
  • 稀油润滑装置及稀油站
  • 稀油润滑元件
  • 管件部分

联系方式

电话:0513-83325673 传真:0513-83119878 手机:13862978163 地址:江苏省启东市汇龙镇中央河中路691号E-mail:13862978163@126.com
 
VSG-KR系列双线分配器(40MPa)

一、使用条件
VSG-KR型双线分配器上、下面均有给油口,分配器活塞正反向动作时分别从上面和下面的给油口排出一次。在相应上、下给油口内设有合二为一的排油结构,要改变奇数出油,只需调整导套的方向即可实现。还可以从指示杆的动作直接观察分配器的工作情况,同时还可以通过调整螺钉在规定范围内方便地调整各个出油口的给油量。
该型分配器适用于公称压力为40MPa的双线式干油集中润滑系统中。它在两条供油主管交替的供油压力作用下,直接由供油压力控制活塞动作,完成向润滑点定量分配润滑脂的功能。

二、技术参数  
型 号
公称压力MPa
动作压力Mpa
额定给油mL/循环
调整螺钉每转一圈调整量ml
VSG※-KR
40
≤1.2
0-2.3
0.14
使用介质为锥入度不低于265(25℃,150g)1/10mm的润滑脂(NLGI0#~2#)或粘度等级大于N68的润滑油,使用环境温度为-10℃~80℃;如使用介质为润滑油时,请在20MPa压力下使用。
 
三、型号说明
型号
VSG2-KR
VSG4-KR
VSG6-KR
VSG8-KR
出油口数
2
4
6
8
L(mm)
44.5
76
108
140
 
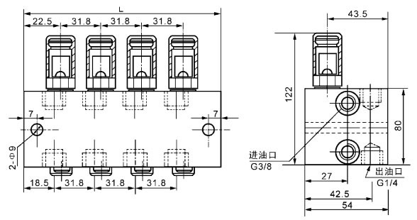
四、外形尺寸
 
五、使用说明

若需相应上下出口合并时,只要将孔内的螺钉拧出,把上或下不用的那个出油口用G1/4螺塞封堵以防灰尘侵入。

六、订货须知
分配器安装使用环境温度在-10℃~80℃范围以外的必须在订货合同中注明,以便供货时提供耐低、高温油封。

 
网站首页 公司简介 产品展示 产品目录 企业动态 联系方式
电话:0513-83325673 传真:0513-83119878  手机:13862978163  油气润滑     
地址:江苏省启东市汇龙镇中央河中路691号 邮编:226200  E-mail:13862978163@126.com 
版权所有:南通沃尔驰石化工程有限公司