• 网站首页
  • 公司简介
  • 产品展示
  • 产品目录
  • 企业动态
  • 联系我们
  • 电子邮局

产品展示

  • 油气润滑元件
  • 电动润滑泵
  • 手(脚)动润滑泵
  • 加油泵
  • 双线分配器
  • 单线分配器
  • 换向阀、操纵阀及其附件
  • 稀油润滑装置及稀油站
  • 稀油润滑元件
  • 管件部分

联系方式

电话:0513-83325673 传真:0513-83119878 手机:13862978163 地址:江苏省启东市汇龙镇中央河中路691号E-mail:13862978163@126.com
 
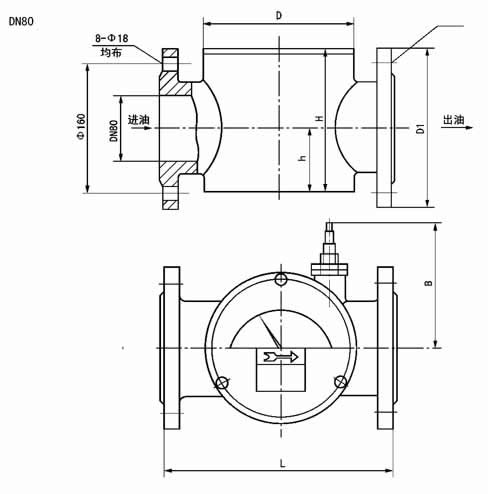
YXQ型油流发讯器(0.4MPa)JB/ZQ4596-97

一、使用条件


  YXQ型油流发讯器用于稀油润滑系统。通过它可直观地观察到油流流动状况并可通过其发讯装置发出油量不足或断流信号,从而实现远距离监视或控制,适用介质为粘度等级N22~N460的润滑油。
  通径DN10~50为螺纹连接,DN80为法兰连接。公称压力为0.4MPa
二、技术参数
型号
公称通径
DN
公称压力
MPa
连接螺纹
d
L
D
H
h
B
D1
S
重量
kg
YXQ-10
10
0.4
G3/8"
136
80
71
30
75
47.3
41
2.1
YXQ-15
15
0.4
G1/2"
136
80
71
30
75
47.3
41
2.1
YXQ-20
20
0.4
G3/4"
136
80
71
30
75
52
47
3.5
YXQ-25
25
0.4
G1"
160
100
96
35
85
60
52
3.8
YXQ-32
32
0.4
G1 1/4"
160
100
101
40
85
66
58
4.2
YXQ-40
40
0.4
G1 1/2"
190
110
101
45
90
76
66
4.5
YXQ-50
50
0.4
G2"
200
110
112
50
90
92
80
4.8
YXQ-80
80
0.4
法兰DN80
200
170
190
80
~140
Φ200
Φ200
~9.8
三、外形尺寸
四、型号说明
五、电气参数
通径
参数
DN10~50、80
开关型式
交流二线制90~250V
直流二线制10~30V
直流三线制6~30V(NPN型)
直流三线制6~30V(PNP型)
应用场合
带动交流线圈、交流信号灯等
带动直流线圈、直流信号灯等
输入PLC(输入模块为NPN型)
输入PLC(输入模块为PNP型)
输出形式
常开
常开
常开
常开
输出电流
3~100mA
5~40mA
0~200mA
0~200mA
漏电流
1r≤2mA
1r≤0.8mA
1r≤0.4mA
1r≤0.4mA
开关压降
Ud≤3V
Ud≤3V
Ud≤0.1Vcc
Ud≤0.1Vcc
接线图
六、使用注意事项
  1、油流方向与油流发讯器指示方向应相同。
  2、开关必须通过负载后再接至电源,以免造成开关损坏。
  3、输出形式如需常闭或输出电流有特殊要求在订货时应注明;若不注明接近开关型式,则配置PNP型直流三线型。
网站首页 公司简介 产品展示 产品目录 企业动态 联系方式
电话:0513-83325673 传真:0513-83119878  手机:13862978163  油气润滑     
地址:江苏省启东市汇龙镇中央河中路691号 邮编:226200  E-mail:13862978163@126.com 
版权所有:南通沃尔驰石化工程有限公司